一、氣動襯氟球閥 產品概述
上海川滬閥門有限公司生產的氣動襯氟球閥,是由角行程氣動執行機構和O型襯氟球閥組成。閥體內腔及球芯均采用高壓注塑工藝襯有耐腐蝕、耐老化的聚全氟乙炳烯,故具有可靠的耐腐蝕性和密封性。根據工作條件,提供氣動襯氟防爆球閥。
特點:
1.閥體內腔及球芯均采用高壓注塑工藝襯有耐腐蝕、耐老化的聚全氟乙炳烯,具有可靠的耐腐蝕性和密封性。
2.體積小,重量輕,結構簡單,安裝維修方便。
3.流阻小,流通能力大。
適用場景:
適用于強酸、強堿等腐蝕性介質。
二、氣動襯氟球閥 產品圖片
 |
 |
| 氣動襯氟球閥 |
氣動襯氟球閥(帶手輪\電磁閥\閥位反饋) |
三、氣動襯氟球閥 零部件參數
| 零件名稱 |
材料名稱 |
| 閥體、閥蓋 |
WCB+F46 |
304(CF8)+F46 |
316(CF8M)+F46 |
316L(CF3M)+F46 |
| 球體 |
2Cr13+氮化處理+46 |
304+46 |
316+46 |
316L+46 |
| 閥桿 |
2Cr13+46 |
304+46 |
316+46 |
316L+46 |
| 閥座密封圈 |
PTFE、碳素纖維+PTFE |
| 密封填料 |
聚四氟乙烯填料 |
四、氣動襯氟球閥 技術參數
| 公稱通徑(mm) |
15 |
20 |
25 |
32 |
40 |
50 |
65 |
80 |
100 |
125 |
150 |
200 |
250 |
300 |
| 公稱壓力(MPa) |
PN1.0、1.6MPa |
| 泄漏量 |
軟密封:零泄漏 |
| 閥體形式 |
兩段式閥體(浮動球體) |
兩段式閥體(固定球體) |
| 閥芯形式 |
"O"型球形閥芯 |
| 密封填料 |
聚四氟乙烯(PTFE) |
| 連接形式 |
法蘭 |
| 可調范圍 |
DN15-65 |
DN80-300 |
| 250:1 |
| 基本誤差 |
帶定位器:小于全行程的±2% |
| 死區 |
帶定位器:小于全行程的2% |
| 適用溫度 |
密封面 |
| PTFE≤180℃ |
| 配置執行機構 |
GT、AT、AR、AW系列單雙作用氣動執行機構 |
| 控制方式 |
開關兩位控制、4-20mA模擬量控制 |
五、氣動襯氟球閥 執行機構參數
| 執行器型號 |
GT、AT、AR、AW系列單雙作用氣動執行器 |
| 供氣壓力 |
0.4~0.7MPa |
| 氣源接口 |
G1/4"、G1/8"、G3/8"、G1/2" |
| 環境溫度 |
-30~+70℃ |
| 作用形式 |
單作用執行機構:氣關式(B)--失氣時閥位開(FO);氣開式(K)--失氣時閥位關(FC)
雙作用執行機構:氣關式(B)--失氣時閥位保持(FL);氣開式(K)-- 失氣時閥位保持(FL)
|
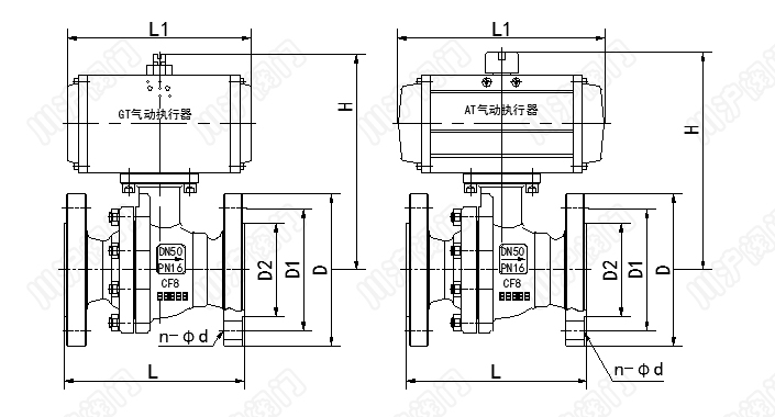
六、氣動襯氟球閥 結構圖
七、氣動襯氟球閥 連接尺寸
| 公稱通徑DN(mm) |
主要尺寸 |
法蘭尺寸 |
| PN1.6MPa |
PN2.5MPa |
| L |
H |
L1 |
D |
D1 |
D2 |
n-φd |
D |
D1 |
D2 |
n-φd |
| 15 |
130 |
185 |
140 |
95 |
65 |
46 |
4-14 |
95 |
65 |
46 |
4-14 |
| 20 |
140 |
191 |
140 |
105 |
75 |
45 |
4-14 |
105 |
75 |
56 |
4-14 |
| 25 |
150 |
193 |
140 |
115 |
85 |
65 |
4-14 |
115 |
85 |
65 |
4-14 |
| 32 |
165 |
212 |
164 |
140 |
100 |
76 |
4-18 |
140 |
100 |
76 |
4-18 |
| 40 |
180 |
217 |
164 |
150 |
110 |
84 |
4-18 |
150 |
110 |
84 |
4-18 |
| 50 |
200 |
260 |
190 |
165 |
125 |
99 |
4-18 |
165 |
125 |
99 |
4-18 |
| 65 |
220 |
293 |
210 |
185 |
145 |
118 |
4-18 |
185 |
145 |
118 |
8-18 |
| 80 |
250 |
323 |
247 |
200 |
160 |
132 |
8-18 |
200 |
160 |
132 |
8-18 |
| 100 |
280 |
382 |
276 |
220 |
180 |
156 |
8-18 |
235 |
190 |
156 |
8-22 |
| 125 |
320 |
468 |
348 |
250 |
210 |
184 |
8-18 |
270 |
220 |
184 |
8-26 |
| 150 |
360 |
510 |
378 |
285 |
240 |
211 |
8-22 |
300 |
250 |
211 |
8-26 |
| 200 |
400 |
655 |
524 |
340 |
295 |
266 |
12-22 |
360 |
310 |
274 |
12-26 |
| 250 |
630 |
/ |
/ |
405 |
355 |
319 |
12-26 |
425 |
370 |
330 |
12-30 |
| 300 |
750 |
/ |
/ |
460 |
410 |
370 |
12-26 |
485 |
430 |
389 |
16-30 |
注:由于產品改進技術創新參數可能有一定變化,公司不另行通知,請咨詢公司技術部門索取新數據。