一、氣動襯氟法蘭蝶閥 產品概述
上海川滬閥門有限公司生產的氣動襯氟法蘭蝶閥(亦稱耐腐蝕氣動蝶閥)是由氣動活塞式執行器及四氟密封蝶閥組成。適用于溫度≤180℃,有腐蝕性或潔凈度有一定要求工況,氣動襯氟蝶閥是在過流部件、閥體、蝶板、閥桿上采用襯里技術襯里較厚的高分子材料,防腐蝕性能優良,可適用于任何濃度的酸、堿、鹽及氧化劑、還原劑、有機溶劑等介質,氣動襯氟蝶閥是化工、石油、醫藥、食品、鋼鐵治煉、造紙、水電等系統的氣體、液體、半流體的管路和容器上作截流和調節設備使用的理想產品。全襯聚四氟乙烯(F4)和聚全氟乙丙烯(F46)氟塑料襯里蝶閥,具有耐腐蝕、無泄漏、壽命長等優點。耐腐蝕氣動蝶閥適用于濃硫酸、鹽酸、硝酸、氫氟酸、王水、各種有機酸、強酸、氧化性介質或高溫烯硫酸、高溫濃醋酸、酸堿交替及多種有機溶劑和其它強腐蝕性介質。
特點:
1.體積小、重量輕、操作輕巧、便于安裝、維修。
2、密封性能優良可靠、零泄漏,使用壽命長。
3、流量特性趨于直線,調節性能優。
4、結構簡單,開關迅速,90°旋轉啟閉。
5、可代替閘閥、截止閥、旋塞閥、膠管閥及隔膜閥等各種閥門的使用。
6、可根據用戶要求配置氣動、電動裝置,滿足遙控和程控的需要。
7、襯氟蝶閥通過合理選材和采用特殊工藝結構。更換零件襯里材質可適用于各種介質。
8.廣泛用于化工、農藥、造紙、水處理、印染等強耐腐蝕開關或調節場合。若口徑較大的耐腐蝕場合,建議選擇耐腐蝕蝶閥。
適用場景:
氣動襯氟法蘭蝶閥可適用于任何濃度的酸、堿、鹽及氧化劑、還原劑、有機溶劑等介質,氣動襯氟蝶閥是化工、石油、醫藥、食品、鋼鐵治煉、造紙、水電等系統的氣體、液體、半流體的管路和容器上作截流和調節設備使用的理想產品。
二、氣動襯氟法蘭蝶閥 產品圖片
 |
 |
| 氣動襯氟法蘭蝶閥 |
氣動襯氟法蘭蝶閥 |
三、氣動襯氟法蘭蝶閥 材質參數
 |
| 序號 |
01 |
02 |
03 |
04 |
05 |
06 |
07 |
08 |
09 |
10 |
11 |
| 名稱 |
氣動執行機構 |
電磁閥 |
信號 |
閥體 |
蝶板 |
閥座 |
閥桿 |
O型圈 |
彈性墊 |
彈簧平墊 |
螺栓、螺母 |
主要零件材料
| 名稱 |
材質 |
| 閥體、底座 |
鑄鋼、不銹鋼、全襯氟 |
| 蝶板 |
鑄鋼、不銹鋼及特殊材料、全襯氟 |
| 密封圈 |
各種橡膠、聚四氟 |
| 襯里材料 |
F46' F4、PFA、PO、PE' PP |
| 閥桿 |
20*13、不銹鋼、全襯氟 |
| 填料 |
V型聚四氟乙烯填料、柔性石墨填料 |
四、氣動襯氟法蘭蝶閥 技術參數
| 閥體形式 |
直通鑄造蝶閥 |
| 公稱通徑 |
DN50~DN500mm |
| 公稱壓力 |
PN1.0. 1.6 MPa |
| 法蘭標準 |
JISB220、JB/T79、ANSIB16.5-1981、GBAT9113、HG20594-97、HG20618-97等 |
| 連接形式 |
法蘭式、對夾式 |
| 閥蓋形式 |
一體式 |
| 壓蓋型式 |
壓蓋壓緊式 |
| 密封填料 |
V型聚四氟乙烯填料、柔性石墨填料 |
| 閥板形式 |
垂直板式(蝶形) |
| 流量特性 |
等百分比、快開、線性 |
| 執行器型號 |
GT系列、SR系列.AT系列、AW系列、TH(QGSY)系列單雙作用氣動執行器 |
| 供氣壓力 |
400700KPa |
| 氣源接口 |
Gl/4\ Gl/8\ G3/8V Gl/2" |
| 環境溫度 |
-30~+70oC |
| 作用形式 |
單作用執行機構:氣關式(B)--失氣時閥位開(FO):氣開式(K)--失氣時閥位關(FC) |
| 雙作用執行機構:氣關式(B)--失氣時閥位保持(FL):氣開式(K)--失氣時閥位保持(FL) |
| 可配附件 |
定位器、電磁閥、空氣過濾減壓器、保位閥.行程幵關、閥位傳送器.手輪機構等 |
五、氣動襯氟法蘭蝶閥 執行器參數
| 執行器型號 |
GT、AT、AR、AW系列單雙作用氣動執行器 |
| 供氣壓力 |
0.4~0.7MPa |
| 氣源接口 |
G1/4"、G1/8"、G3/8"、G1/2" |
| 環境溫度 |
-30~+70℃ |
| 作用形式 |
單作用執行機構:氣關式(B)--失氣時閥位開(FO);氣開式(K)--失氣時閥位關(FC)
雙作用執行機構:氣關式(B)--失氣時閥位保持(FL);氣開式(K)-- 失氣時閥位保持(FL)
|
六、氣動襯氟法蘭蝶閥 性能參數
| 公稱通徑DN(mm) |
DN50~1200 |
| 公稱壓力 |
PN(MPa) |
0.6 |
1.0 |
1.6 |
2.5 |
| 試驗壓力 |
強度試驗 |
0.9 |
1.5 |
2.4 |
3.75 |
| 密封試驗 |
0.66 |
1.1 |
1.76 |
2.75 |
| 低壓氣密試驗 |
0.5~0.7 |
| 適用介質 |
濃硫酸、鹽酸、硝酸、氫氟酸、王水、各種有機酸、強酸、氧化性介質或高溫烯硫酸、高溫濃醋酸、酸堿交替及多種有機溶劑和其它強腐蝕性介質。 |
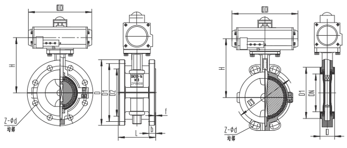
七、氣動襯氟法蘭蝶閥 結構圖
八、氣動襯氟法蘭蝶閥 連接尺寸
| 公稱通徑 |
主要安裝尺寸 |
| DN |
L |
D |
D1 |
D2 |
f |
b |
z-d |
D |
D1 |
D2 |
f |
b |
z-d |
| mm |
inch |
對夾 |
法蘭 |
PN0.6MPa |
PNl.0MPa |
| 40 |
1-1/2 |
33 |
106 |
130 |
100 |
80 |
3 |
14 |
4-14 |
150 |
110 |
85 |
3 |
18 |
4-18 |
| 50 |
2 |
43 |
108 |
140 |
110 |
90 |
3 |
14 |
4-14 |
165 |
125 |
100 |
3 |
18 |
4-18 |
| 65 |
2Vi |
46 |
112 |
160 |
130 |
110 |
3 |
14 |
4-14 |
185 |
145 |
120 |
3 |
18 |
4-18 |
| 80 |
3 |
46 |
114 |
190 |
150 |
125 |
3 |
16 |
4-18 |
200 |
160 |
135 |
3 |
20 |
8-18 |
| 100 |
4 |
52 |
127 |
210 |
170 |
145 |
3 |
16 |
4-18 |
220 |
180 |
155 |
3 |
20 |
8-18 |
| 125 |
5 |
56 |
140 |
240 |
200 |
175 |
3 |
18 |
8-18 |
250 |
210 |
185 |
3 |
22 |
8-18 |
| 150 |
6 |
56 |
140 |
265 |
225 |
200 |
3 |
18 |
8-18 |
285 |
240 |
210 |
3 |
22 |
8-22 |
| 200 |
8 |
60 |
152 |
320 |
280 |
255 |
3 |
20 |
8-18 |
340 |
295 |
265 |
3 |
24 |
8-22 |
| 250 |
10 |
68 |
165 |
375 |
335 |
310 |
4 |
22 |
12-18 |
395 |
350 |
320 |
4 |
26 |
12-22 |
| 300 |
12 |
78 |
178 |
440 |
395 |
363 |
4 |
22 |
12-22 |
445 |
400 |
370 |
4 |
26 |
12-22 |
| 350 |
14 |
78 |
190 |
490 |
445 |
413 |
4 |
22 |
12-22 |
505 |
460 |
430 |
4 |
26 |
16-22 |
| 400 |
16 |
102 |
216 |
540 |
495 |
463 |
4 |
22 |
16-22 |
565 |
515 |
480 |
4 |
26 |
16-26 |
| 450 |
18 |
114 |
222 |
595 |
550 |
518 |
4 |
22 |
16-22 |
615 |
565 |
530 |
4 |
28 |
20-26 |
| 500 |
20 |
127 |
229 |
645 |
600 |
568 |
4 |
24 |
20-22 |
670 |
620 |
580 |
4 |
28 |
20-26 |
| 600 |
24 |
154 |
267 |
755 |
705 |
667 |
5 |
30 |
20-26 |
780 |
725 |
680 |
5 |
34 |
20-30 |
| 700 |
28 |
165 |
292 |
860 |
810 |
772 |
5 |
24 |
24-26 |
89S |
840 |
795 |
5 |
34 |
24-30 |
| 800 |
32 |
190 |
318 |
975 |
920 |
878 |
5 |
24 |
24-30 |
1015 |
950 |
900 |
5 |
36 |
24-33 |
| 900 |
36 |
203 |
330 |
1075 |
1020 |
980 |
5 |
26 |
24-30 |
111S |
1050 |
1000 |
5 |
38 |
28-33 |
| 1000 |
40 |
216 |
410 |
1175 |
1120 |
1080 |
5 |
26 |
28-30 |
1230 |
1160 |
1115 |
5 |
38 |
28-36 |
| 1200 |
48 |
254 |
470 |
1405 |
1340 |
1295 |
5 |
28 |
32-33 |
1455 |
1380 |
1330 |
5 |
44 |
32-39 |
| 公稱通徑 |
主要安裝尺寸 |
| DN |
L |
D |
D1 |
D2 |
f |
b |
z-d |
D |
D1 |
D2 |
f |
b |
z-d |
| mm |
inch |
對夾式 |
法蘭式 |
PN1.6MPa |
PN2.5MPa |
| 40 |
1-1/2 |
33 |
106 |
150 |
110 |
85 |
3 |
18 |
4-18 |
150 |
110 |
8S |
3 |
18 |
4-18 |
| 50 |
2 |
43 |
108 |
165 |
125 |
100 |
3 |
18 |
4-18 |
165 |
125 |
100 |
3 |
20 |
4-18 |
| 6S |
2W |
46 |
112 |
185 |
145 |
120 |
3 |
18 |
4-18 |
185 |
145 |
120 |
3 |
22 |
8-18 |
| 80 |
3 |
46 |
114 |
200 |
160 |
135 |
3 |
20 |
8-18 |
200 |
160 |
135 |
3 |
24 |
8-18 |
| 100 |
4 |
52 |
127 |
220 |
180 |
15S |
3 |
20 |
8-18 |
235 |
190 |
155 |
3 |
24 |
8-22 |
| 125 |
S |
56 |
140 |
2S0 |
210 |
18S |
3 |
22 |
8-13 |
270 |
220 |
185 |
3 |
26 |
8-27 |
| 150 |
6 |
56 |
140 |
285 |
240 |
210 |
3 |
22 |
8-22 |
300 |
250 |
210 |
3 |
28 |
8-27 |
| 200 |
8 |
60 |
152 |
340 |
295 |
265 |
3 |
24 |
12-27 |
360 |
310 |
275 |
3 |
30 |
12-27 |
| 250 |
10 |
68 |
165 |
405 |
355 |
320 |
4 |
26 |
12-27 |
425 |
370 |
330 |
4 |
32 |
12-30 |
| 300 |
12 |
78 |
178 |
460 |
410 |
370 |
4 |
28 |
12-27 |
485 |
430 |
390 |
4 |
34 |
16-30 |
| 350 |
14 |
78 |
190 |
520 |
470 |
430 |
4 |
30 |
16-27 |
555 |
490 |
450 |
4 |
38 |
16-33 |
| 400 |
16 |
102 |
216 |
580 |
525 |
480 |
4 |
32 |
16-30 |
620 |
5SO |
505 |
4 |
40 |
16-36 |
| 450 |
18 |
114 |
222 |
640 |
585 |
550 |
4 |
40 |
20-30 |
670 |
600 |
550 |
4 |
46 |
20-36 |
| 500 |
20 |
127 |
229 |
715 |
650 |
610 |
5 |
44 |
20-33 |
730 |
660 |
610 |
5 |
4S |
20-36 |
| 600 |
24 |
154 |
267 |
840 |
770 |
720 |
5 |
54 |
20-36 |
845 |
770 |
720 |
5 |
58 |
20-39 |
| 400 |
28 |
165 |
292 |
910 |
340 |
759 |
5 |
42 |
24-36 |
960 |
875 |
800 |
5 |
50 |
24-42 |
| 800 |
32 |
190 |
318 |
1025 |
950 |
900 |
5 |
42 |
24-39 |
1085 |
990 |
940 |
5 |
54 |
24-48 |
| 900 |
36 |
203 |
330 |
1125 |
1050 |
1000 |
5 |
44 |
28-39 |
1185 |
1090 |
1040 |
5 |
58 |
28-48 |
| 1000 |
40 |
216 |
410 |
1255 |
1170 |
1110 |
5 |
46 |
28-42 |
1320 |
1210 |
1150 |
5 |
62 |
28-55 |
| 1200 |
48 |
254 |
470 |
1485 |
1390 |
1330 |
5 |
52 |
32-48 |
1530 |
1420 |
1360 |
5 |
70 |
32-55 |
注:由于產品改進技術創新參數可能有一定變化,公司不另行通知,請咨詢公司技術部門索取新數據。