提供專業控制閥解決方案! 銷售熱線:021-51863046
上海川滬閥門有限公司
ShangHai Chuanhu Valve CO.,LTD
我們做的不僅是產品還是解決方案
川滬閥門品牌:電動球閥、電動蝶閥、氣動球閥、氣動蝶閥、電動調節閥、氣動調節閥
自力式調節閥、快速切斷閥、低溫閥門、耐腐蝕閥門、衛生級閥門、截止閥、閘閥
電動執行器、氣動執行器
手動管夾閥
一、手動管夾閥 產品概述
上海川滬閥門有限公司生產的手動管夾閥主要結構型式:
手動管夾閥由閥體、橡膠管套、大小閥桿、壓板、拉桿、托架、手輪等零件組成。
1、工作原理:
當順時針轉動手輪時,使大小閥桿同時轉動來帶動上下壓板以壓縮橡膠管套從而進行關閉,反之即行開啟。這樣壓板在拉桿之間上下往復運動來完成閥門開閉工作。
2、注意事項:
因橡膠管套承受力小,所以在開閉時,操作人員旋轉手輪時只要感到適量抵觸,均達到開閉極點。切勿盡力及多人輔助,禁用其他工具開閉。
3、安裝與維護:
①手動管夾閥在管道上任意安裝,沒有介質流向限制。
②手動管夾閥維護成本低,沒有需要定期更換的閥座、密封填料、密封圈或伸縮管。膠管是管夾閥唯一需要更換的零件,一旦更換了膠管,閥門就像新閥門一樣。手動管夾閥很少需要其他零件庫存。
二、手動管夾閥 產品圖片
![]() |
| 手動管夾閥 |
三、手動管夾閥 材質參數
| 名稱 | 材質 |
|---|---|
| 閥體 | 鋁合金、鑄鐵、鑄鋼 |
| 橡膠套管 | 橡膠 |
| 大小閥桿 | 鑄銅、碳鋼 |
| 壓板 | 鑄鐵 |
| 拉桿 | |鑄鐵 |
| 托架 | 球墨鑄鐵 |
| 手輪 | 鑄鐵 |
四、手動管夾閥 主要性能規范
| 適用溫度 | 適用介質 |
|---|---|
| ≤85℃ | 礦漿、磨料、干濕型粉塵類 |
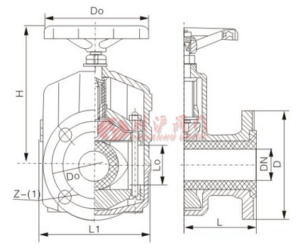
五、手動管夾閥 結構圖
![]() |
六、手動管夾閥 安裝尺寸
| 公稱通徑 (DN) | 公稱壓力 (MPa) | 工作壓力 (MPa) | L | L1 | Lo | D | D1 | Do | H | Z-D | 重量 (kg) |
|---|---|---|---|---|---|---|---|---|---|---|---|
| 25 | 0.6 | 0.6 | 142 | 124 | 31 | 115 | 85 | 120 | 150 | 4-14 | 3 |
| 32 | 160 | 145 | 40 | *140 | 100 | 140 | 174 | 4-18 | 4.5 | ||
| 40 | 180 | 157 | 50 | *150 | 110 | 140 | 186 | 4-18 | 5.5 | ||
| 50 | 210 | 160 | 60 | 160 | 125 | 160 | 205 | 4-18 | 7.5 | ||
| 65 | 250 | 199 | 74 | 180 | 145 | 160 | 238 | 4-18 | 9.0 | ||
| 80 | 300 | 222 | 88 | 195 | 160 | 200 | 241 | 4-18 | 13.5 | ||
| 100 | 350 | 250 | 106 | 215 | 180 | 240 | 301 | 8-18 | 20 | ||
| 125 | 430 | 318 | 134 | 245 | 210 | 280 | 360 | 8-18 | 27.5 | ||
| 150 | 500 | 350 | 158 | 280 | 240 | 320 | 405 | 8-23 | 43 | ||
| 200 | 0.4 | 0.4 | 650 | 446 | 206 | 335 | 295 | 560 | 545 | 8-23 | 85 |
| 250 | 800 | 516 | 256 | *395 | 350 | 560 | 632 | 12-23 | 138 | ||
| 300 | 950 | 562 | 304 | *445 | 400 | 620 | 741 | 12-23 | 195 |
注:由于產品改進技術創新參數可能有一定變化,公司不另行通知,請咨詢公司技術部門索取新數據。





























下載:上海川滬閥門有限公司-產品樣本-手動管夾閥.PDF
