提供專業控制閥解決方案! 銷售熱線:021-5186 3046
上海川滬閥門有限公司
ShangHai Chuanhu Valve CO.,LTD
我們做的不僅是產品還是解決方案
川滬閥門品牌:電動球閥、電動蝶閥、氣動球閥、氣動蝶閥、電動調節閥、氣動調節閥
自力式調節閥、快速切斷閥、低溫閥門、耐腐蝕閥門、衛生級閥門、截止閥、閘閥
電動執行器、氣動執行器
電動陶瓷球閥
一、電動陶瓷球閥 產品概述
上海川滬閥門有限公司生產的電動陶瓷球閥適用于高硬度的顆粒介質,或有軟顆粒但又有腐蝕性的介質管道上作啟閉之用。公稱壓力1.6MPa,適應溫度小于200C。與介質接觸的部會均為結構陶瓷材料,其化學穩定性及硬度極高(洛氏硬度HRC88),僅次于金剛石。因此,電動陶瓷球閥具有極高的耐磨損、耐腐蝕、耐沖蝕性能,且隔熱性好、熱膨脹小。
型號:
CHQ941TC
特點:
1.球體采用先進研磨設備及工藝制造,球體度精度高,表畫質量好,與閥座對研后,利用Zr02陶瓷的自潤滑性,可取得很好的密封性能。
2.陶瓷良好的耐磨性,讓電動陶瓷球閥經久耐用,可靠性極高,使用壽命長,是鈦合金閥和蒙乃爾閥的2- -4倍。
適用場景:
電動陶瓷球閥適用于礦漿、砂石等需要耐磨的場合使用。
二、電動陶瓷球閥 產品圖片
![]() |
![]() |
| 電動陶瓷球閥 | 電動陶瓷球閥 |
三、電動陶瓷球閥 主要零部件材料
| 名稱 | 材料 |
|---|---|
| 閥蓋 | WCB |
| 中體 | WCB |
| 中體套 | 工程陶瓷 |
| 閥座 | 工程陶瓷 |
| 法蘭套 | 工程陶瓷 |
| 球 | 工程陶瓷 |
| O型圈 | 氟橡膠 |
| 彈簧 | 17-4PH |
| 閥桿 | 35 |
| 填料 | PTFE |
| 等長雙頭螺栓 | WCB |
四、電動陶瓷球閥 執行器參數
| 執行器類別 | CH系列執行器參數 | HQ系列執行器參數 |
|---|---|---|
| 電源電壓 | 標準:220V AC單相 可選:110V AC 單相、380/440V AC 三相、24V/110V/220V AC | |
| 輸出力矩 | 50N·M~2000N·M | 50N·M~3000N·M |
| 動作范圍 | 0~90° 0~360° | 0~90°、0°~270°可選 |
| 控制方式 | 開關到位燈(開關兩位控制)、無源觸點信號、1/5K電位計、智能調節(4~20mA模擬量信號控制) | |
| 動作時間 | 15秒/30秒/60秒 | 18S~112S |
| 保護裝置 | 過熱保護 | 內置過熱保護、過載保護 |
| 環境溫度 | -30°~60° | -20℃~+70℃ |
| 手動操作 | 同附帶手柄操作 | 機械離合機構,配手輪操作 |
| 機械限位 | 電氣、機械二重限位 | 2個外部調整螺栓 |
| 防護等級 | IP65 | IP65、IP67、可定制IP68 |
| 防爆等級 | 無防爆 | ExdⅡ BT4,ExdⅡ CT6 |
| 位置測量 | 可選裝開關或電位計 | 電位計、比例控制單元 |
| 驅動電機 | 8W/E | 鼠籠式異步電機 |
| 進線接口 | PE1/2〞進線線鎖 | 2個 PF 3/4" |
| 殼體材料 | 鋁合金 | 鋼,鋁合金,鋁青銅,聚碳酸脂 |
| 外涂層 | 干粉,環氧聚酯,具有超強防腐功能 | |
| 采用獨特的電制動線路,因而定位精度高,執行機構靈敏,啟動停止迅速,運行平穩。同時具有抗干擾、抗浪涌電壓、防擊穿能力強的特點 | ||
五、電動陶瓷球閥 性能規范
| 設計與制造 | GB/T12224 |
|---|---|
| 結構長度 | GB/T12221 |
| 法蘭尺寸 | GB/T9113.1 |
| 試驗和檢驗 | JB/T9092 |
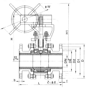
六、電動陶瓷球閥 結構圖
![]() |
七、電動陶瓷球閥 連接尺寸
| DN | PN(MPA) | L | D | D1 | D2 | b | f | z-<Dd |
|---|---|---|---|---|---|---|---|---|
| 15 | 1.6 | 130 | 95 | 95 | 45 | 14 | 2 | 4-14 |
| 20 | 130 | 105 | 75 | 55 | 14 | 2 | 4-14 | |
| 25 | 140 | 115 | 85 | 65 | 14 | 2 | 4-14 | |
| 32 | 165 | 140 | 100 | 78 | 16 | 2 | 4-18 | |
| 40 | 165 | 150 | 110 | 85 | 16 | 3 | 4-18 | |
| 50 | 203 | 165 | 125 | 99 | 16 | 3 | 4-18 | |
| 65 | 220 | 185 | 145 | 118 | 18 | 3 | 4-18 | |
| 80 | 241 | 200 | 160 | 132 | 20 | 3 | 8-18 | |
| 100 | 305 | 220 | 180 | 156 | 20 | 3 | 8-18 | |
| 125 | 356 | 250 | 210 | 185 | 22 | 3 | 8-18 | |
| 150 | 394 | 285 | 240 | 211 | 24 | 3 | 8-23 | |
| 200 | 457 | 340 | 295 | 265 | 26 | 3 | 12-23 |
注:由于產品改進技術創新參數可能有一定變化,公司不另行通知,請咨詢公司技術部門索取新數據。
下載:上海川滬閥門有限公司-產品樣本-電動陶瓷球閥.PDF
電動陶瓷球閥鏈接:http://m.danney.cn/products/diandongqiufa/q941tc.html



































