提供專業控制閥解決方案! 銷售熱線:021-5186 3046
上海川滬閥門有限公司
ShangHai Chuanhu Valve CO.,LTD
我們做的不僅是產品還是解決方案
川滬閥門品牌:電動球閥、電動蝶閥、氣動球閥、氣動蝶閥、電動調節閥、氣動調節閥
自力式調節閥、快速切斷閥、低溫閥門、耐腐蝕閥門、衛生級閥門、截止閥、閘閥
電動執行器、氣動執行器
電動四通球閥
一、電動四通球閥 產品概述
上海川滬閥門有限公司生產的電動四通球閥,是由角行程電動執行機構和四通球閥閥體組成。
特點:
1、流體阻力小:球體和閥體的連接管道截面相等,且球體通道采用圓弧連接,介質通過球體時,流體阻力小。
2、密封性能: 閥座采用具有一定彈性變形和高強度的PTFE材料,達到良好密封性能保證了閥門的穩定性。
3、使用壽命長:閥門的閥芯和光頸材料采用奧氏不銹鋼,閥座材料選用PTFE,能達到良好的抗腐蝕性作用,延長了閥門使用壽命。
適用場景:
電動四通球閥廣泛使用在石油、天然氣、煤炭、礦石開采、化工產品、醫藥和食品等系統中。
二、電動四通球閥 產品圖片
![]() |
![]() |
| 電動四通球閥(不銹鋼法蘭連接) | 電動四通球閥(防爆型) |
三、電動四通球閥 零部件材料
| 閥體/閥蓋 | GB | WCB | ZGlCrl8Ni9Ti | ZGOCfl8Nil2M02Ti | |||
|---|---|---|---|---|---|---|---|
| ASTM | WCB | CF8 | CF8M | ||||
| 球體 | GB | 2Crl3 | 1Cfl8Ni9Ti | 0Cfl8Ni12M02Ti | |||
| ASTM | 420 | 304 | 316 | ||||
| 閥桿 | GB | 2Crl3 | 1Crl8Ni9Ti | 0Crl8Ni12M02Ti | |||
| ASTM | 420 | 304 | 316 | ||||
| 閥座 | GB | 聚四氟乙烯 | 對位聚苯 | 聚四氟乙烯 | 對位聚苯 | 聚四氟乙烯 | 對位聚苯 |
| ASTM | 聚四氟乙烯 | 對位聚苯 | 聚四氟乙烯 | 對位聚苯 | 聚四氟乙烯 | 對位聚苯 | |
| 填料 | GB | 聚四氟乙烯 | 柔性石墨 | 聚四氟乙烯 | 柔性石墨 | 聚四氟乙烯 | 柔性石墨 |
| ASTM | 聚四氟乙烯 | 柔性石墨 | 聚四氟乙烯 | 柔性石墨 | 聚四氟乙烯 | 柔性石墨 | |
| 螺栓 | GB | 35 | 0Crl8Ni9 | 0Crl8Ni9 | |||
| ASTM | A193B7 | A320-B8 | A320-B8 | ||||
| 螺母 | GB | 45 | 0Cfl8Ni9 | 0Crl8Ni9 | |||
| ASTM | A1942H | A194-8 | A194-8 | ||||
四、電動四通球閥 技術參數
| 閥體形式 | 四通鑄造閥體 |
|---|---|
| 公稱通徑 | DN50~600mm |
| 公稱壓力 | PN1.6、2.5、4.0 MPa;ANSI 150、300LB ;JIS 10、20、30K |
| 法蘭標準 | JB/T79.2-1994、 ASME/ANSI B165 |
| 連接形式 | 法蘭式 |
| 壓蓋型式 | 壓蓋壓緊式 |
| 密封填料 | V型聚四氟乙烯填料、柔性石墨填料等 |
| 設計和制造 | GB/T12237-1989; APl608 |
| 檢驗和試驗 | GB/T13927-1992; APl 598 |
| 執行器型號 | CHR、3810R、DZW、HQ、PSQ |
五、電動四通球閥 執行器參數
| 執行器類別 | CH系列執行器參數 | HQ系列執行器參數 |
|---|---|---|
| 電源電壓 | 標準:220V AC單相 可選:110V AC 單相、380/440V AC 三相、24V/110V/220V AC | |
| 輸出力矩 | 50N·M~2000N·M | 50N·M~3000N·M |
| 動作范圍 | 0~90° 0~360° | 0~90°、0°~270°可選 |
| 控制方式 | 開關到位燈(開關兩位控制)、無源觸點信號、1/5K電位計、智能調節(4~20mA模擬量信號控制) | |
| 動作時間 | 15秒/30秒/60秒 | 18S~112S |
| 保護裝置 | 過熱保護 | 內置過熱保護、過載保護 |
| 環境溫度 | -30°~60° | -20℃~+70℃ |
| 手動操作 | 同附帶手柄操作 | 機械離合機構,配手輪操作 |
| 機械限位 | 電氣、機械二重限位 | 2個外部調整螺栓 |
| 防護等級 | IP65 | IP65、IP67、可定制IP68 |
| 防爆等級 | 無防爆 | ExdⅡ BT4,ExdⅡ CT6 |
| 位置測量 | 可選裝開關或電位計 | 電位計、比例控制單元 |
| 驅動電機 | 8W/E | 鼠籠式異步電機 |
| 進線接口 | PE1/2〞進線線鎖 | 2個 PF 3/4" |
| 殼體材料 | 鋁合金 | 鋼,鋁合金,鋁青銅,聚碳酸脂 |
| 外涂層 | 干粉,環氧聚酯,具有超強防腐功能 | |
| 采用獨特的電制動線路,因而定位精度高,執行機構靈敏,啟動停止迅速,運行平穩。同時具有抗干擾、抗浪涌電壓、防擊穿能力強的特點 | ||
六、電動四通球閥 性能規范
| 公稱壓力(MPa) | 常溫大工作壓力(MPa) | 殼體試驗壓力(MPa) | 氣密封試驗壓力(MPa) | 高壓密封試驗壓力(MPa) |
|---|---|---|---|---|
| PN1.6 | 1.6 | 2.4 | 0.6 | 1.76 |
| PN2.5 | 2.5 | 3.8 | 0.6 | 2.75 |
| PN4.0 | 4.0 | 6.0 | 0.6 | 4.4 |
| l50LB | 2.0 | 3.0 | 0.6 | 2.2 |
七、電動四通球閥 流向原理圖
|
八、電動四通球閥 結構圖
|
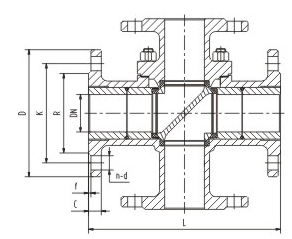
八、電動四通球閥 連接尺寸
| DN | L | D | K | R | C | f | n-d |
|---|---|---|---|---|---|---|---|
| 15 | 150 | 95 | 65 | 45 | 14 | 2 | 4-14 |
| 20 | 164 | 105 | 75 | 55 | 16 | 2 | 4-14 |
| 25 | 180 | 115 | 85 | 65 | 16 | 2 | 4-14 |
| 32 | 200 | 135 | 100 | 78 | 18 | 2 | 4-18 |
| 40 | 220 | 145 | 110 | 85 | 18 | 3 | 4-18 |
| 50 | 240 | 160 | 125 | 100 | 20 | 3 | 4-18 |
| 65 | 260 | 180 | 145 | 120 | 20 | 3 | 4-18 |
| 80 | 280 | 195 | 160 | 135 | 20 | 3 | 8-18 |
| 100 | 320 | 215 | 180 | 155 | 22 | 3 | 8-18 |
| 125 | 380 | 245 | 210 | 185 | 22 | 3 | 8-18 |
| 150 | 440 | 28 | 240 | 210 | 24 | 3 | 8-23 |
| 200 | 550 | 335 | 295 | 265 | 24 | 3 | 12-23 |
| 250 | 670 | 405 | 355 | 320 | 30 | 3 | 12-25 |
| 300 | 850 | 460 | 410 | 375 | 30 | 4 | 12-25 |
注:由于產品改進技術創新參數可能有一定變化,公司不另行通知,請咨詢公司技術部門索取新數據。
下載:上海川滬閥門有限公司-產品樣本-電動四通球閥.PDF
電動四通球閥鏈接:http://m.danney.cn/products/diandongqiufa/ddsitqf.html


































