提供專業控制閥解決方案! 銷售熱線:021-5186 3046
上海川滬閥門有限公司
ShangHai Chuanhu Valve CO.,LTD
我們做的不僅是產品還是解決方案
川滬閥門品牌:電動球閥、電動蝶閥、氣動球閥、氣動蝶閥、電動調節閥、氣動調節閥
自力式調節閥、快速切斷閥、低溫閥門、耐腐蝕閥門、衛生級閥門、截止閥、閘閥
電動執行器、氣動執行器
電動塑料PP球閥
一、電動塑料PP球閥 產品概述
上海川滬閥門有限公司生產的電動塑料PP球閥有國標雙由令連接和法蘭連接2種形式,可以方便的在塑料管道上安裝。電動塑料球閥的材質有PVC、UPVC、RPP、PPH等不同的塑料材質,可以廣泛的應用在常溫、腐蝕或者衛生級項目中。
型號:
CHQ911F
特點:
1、外型結構緊湊美觀。
2、本體重量輕容易安裝。
3、耐腐蝕性強,應用范圍廣。
適用場景:
電動塑料PP球閥廣泛應用于多個領域,如一般純水和生飲水的管路系統、排水和污水管路系統、鹽水和海水管路系統、酸堿和化學溶液系統等多個行業
二、電動塑料PP球閥 產品圖片
![]() |
![]() |
| 電動塑料PP球閥 | 電動塑料PP球閥 |
三、電動塑料PP球閥 主要技術參數
| 公稱通徑DN(mm) | 15 | 20 | 25 | 32 | 40 | 50 | 65 | 80 | 100 |
|---|---|---|---|---|---|---|---|---|---|
| 公稱壓力(MPa) | PN1.0-1.6MPa | ||||||||
| 連接方式 | 法蘭、螺紋、由令 | ||||||||
| 閥體結構 | 一體、三通L、三通T | ||||||||
| 閥體材質 | UPVC、CPVC、PP | ||||||||
| 閥芯材質 | UPVC、CPVC、PP | ||||||||
| 密封材質 | PTFE | ||||||||
| 適用溫度 | 0~+60℃ | ||||||||
| 適用介質 | PVC兼容的食品工業化學溶劑 | ||||||||
| 配置執行機構 | 可配CHQ、CHV等系列角行程電動執行機構 | ||||||||
| 控制方式 | 開關到位(開關兩位控制)、智能調節(4~20mA模擬量信號控制) | ||||||||
四、電動塑料PP球閥 執行器參數
| 執行器類別 | CHV系列執行器參數 | CHQ系列執行器參數 |
|---|---|---|
| 電源電壓 | 標準:220V AC單相 可選:110V AC 單相、380/440V AC 三相、24V/110V/220V AC | |
| 輸出力矩 | 50N·M~2000N·M | 50N·M~3000N·M |
| 動作范圍 | 0~90° 0~360° | 0~90°、0°~270°可選 |
| 控制方式 | 開關到位燈(開關兩位控制)、無源觸點信號、1/5K電位計、智能調節(4~20mA模擬量信號控制) | |
| 動作時間 | 15秒/30秒/60秒 | 18S~112S |
| 保護裝置 | 過熱保護 | 內置過熱保護、過載保護 |
| 環境溫度 | -30°~60° | -20℃~+70℃ |
| 手動操作 | 同附帶手柄操作 | 機械離合機構,配手輪操作 |
| 機械限位 | 電氣、機械二重限位 | 2個外部調整螺栓 |
| 防護等級 | IP65 | IP65、IP67、可定制IP68 |
| 防爆等級 | 無防爆 | ExdⅡ BT4,ExdⅡ CT6 |
| 位置測量 | 可選裝開關或電位計 | 電位計、比例控制單元 |
| 驅動電機 | 8W/E | 鼠籠式異步電機 |
| 進線接口 | PE1/2〞進線線鎖 | 2個 PF 3/4" |
| 殼體材料 | 鋁合金 | 鋼,鋁合金,鋁青銅,聚碳酸脂 |
| 外涂層 | 干粉,環氧聚酯,具有超強防腐功能 | |
| 采用獨特的電制動線路,因而定位精度高,執行機構靈敏,啟動停止迅速,運行平穩。同時具有抗干擾、抗浪涌電壓、防擊穿能力強的特點 | ||
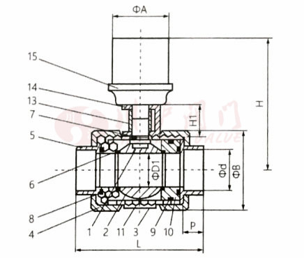
五、電動塑料PP球閥 結構圖
![]() |
六、電動塑料PP球閥 連接尺寸
| 公稱通徑 | D | D1 | D2 | L | H | H1 | T | n-O | 支架中心孔距 | 軸尺寸 | 配電動執行器 | |||
|---|---|---|---|---|---|---|---|---|---|---|---|---|---|---|
| DN(mm) | 承插 | 絲口 | 法蘭 | 開關型 | 調節型 | |||||||||
| 15 | 20 | 65 | 95 | 112 | 112 | 164 | 155 | 40 | 14 | 4-14 | 36/55 | 9*9 | CHV-05 | CHV-05 |
| 20 | 25 | 75 | 105 | 130 | 130 | 182 | 160 | 40 | 16 | 4-14 | 36/50 | 9*9 | ||
| 25 | 32 | 85 | 115 | 144 | 144 | 210 | 165 | 41 | 16 | 4-14 | 36/50 | 11*11 | ||
| 32 | 40 | 100 | 135 | 168 | 168 | 233 | 190 | 43 | 16 | 4-18 | 50/70 | 11*11 | ||
| 40 | 50 | 110 | 145 | 173 | 173 | 247 | 200 | 43 | 16 | 4-18 | 50/70 | 11*11 | ||
| 50 | 63 | 125 | 160 | 204 | 204 | 290 | 225 | 47 | 18 | 4-18 | 50/70 | 11*11 | ||
| 65 | 75 | '145 | 180 | 275 | 275 | 370 | 280 | 50 | 22 | 4-18 | 70 | 14*14 | CHV-10 | CHV-10 |
| 80 | 90 | 160 | 195 | 300 | 300 | 415 | 310 | 60 | 25 | 8-18 | 70 | 14*14 | ||
| 100 | 110 | 180 | 215 | 330 ! | 330 | 460 | 370 | 78 | 25 | 8-18 | 70 | 17*17 | ||
注:由于產品改進技術創新參數可能有一定變化,公司不另行通知,請咨詢公司技術部門索取新數據。
下載:上海川滬閥門有限公司-產品樣本-電動塑料PP球閥.PDF
電動塑料PP球閥鏈接:http://m.danney.cn/products/diandongqiufa/q911fs.html



































