提供專業控制閥解決方案! 銷售熱線:021-51863046
上海川滬閥門有限公司
ShangHai Chuanhu Valve CO.,LTD
我們做的不僅是產品還是解決方案
川滬閥門品牌:電動球閥、電動蝶閥、氣動球閥、氣動蝶閥、電動調節閥、氣動調節閥
自力式調節閥、快速切斷閥、低溫閥門、耐腐蝕閥門、衛生級閥門、截止閥、閘閥
電動執行器、氣動執行器
氣動陶瓷球閥
一、氣動陶瓷球閥 產品概述
上海川滬閥門有限公司生產的氣動陶瓷球閥適用于高硬度的顆粒介質,或有軟顆粒但又有腐蝕性的介質管道上作啟閉之用。公稱壓力1.6MPa,適應溫度小于200C。與介質接觸的部會均為結構陶瓷材料,其化學穩定性及硬度極高(洛氏硬度HRC88),僅次于金剛石。因此,電動陶瓷球閥具有極高的耐磨損、耐腐蝕、耐沖蝕性能,且隔熱性好、熱膨脹小。其中和氣動執行機構組合后,能實現快速開閉(配電磁閥和限位開關)或調節流量大小(配閥門定位器)。
型號:CHQ641TC
特點:
1.球體采用先進研磨設備及工藝制造,球體度精度高,表畫質量好,與閥座對研后,利用Zr02陶瓷的自潤滑性,可取得很好的密封性能。
2.陶瓷良好的耐磨性,讓電動陶瓷球閥經久耐用,可靠性極高,使用壽命長,是鈦合金閥和蒙乃爾閥的2- -4倍。
適用場景:
氣動陶瓷球閥適用于礦漿、砂石等需要耐磨的場合使用。
二、氣動陶瓷球閥 產品圖片
![]() |
![]() |
| 氣動陶瓷球閥 | 氣動陶瓷球閥 |
三、氣動陶瓷球閥 零部件材料
| 名稱 | 材料 |
|---|---|
| 閥蓋 | WCB |
| 中體 | WCB |
| 中體套 | 工程陶瓷 |
| 閥座 | 工程陶瓷 |
| 法蘭套 | 工程陶瓷 |
| 球 | 工程陶瓷 |
| O型圈 | 氟橡膠 |
| 彈簧 | 17-4PH |
| 閥桿 | 35 |
| 填料 | PTFE |
| 等長雙頭螺栓 | WCB |
四、氣動陶瓷球閥 技術參數
| 公稱通徑DN(mm) | DN25~300mm |
|---|---|
| 公稱壓力(MPa) | PN1.6-32.0MPa |
| 連接方式 | 法蘭、螺紋 |
| 閥體材質 | 碳鋼+內襯陶瓷;不銹鋼+內襯陶瓷 |
| 內件材質 | 陶瓷 |
| 適用溫度 | -40℃~+425℃ |
| 適用介質 | 適用于高磨損或腐蝕性工況條件下,鋼廠、高爐煤氣除塵系統,電廠脫硫系統 |
| 配置執行機構 | AT、AR、AW系列單/雙作用氣動執行器 |
| 控制方式 | 開關兩位控制、4~20mA模擬量信號控制 |
五、氣動陶瓷球閥 執行器參數
| 執行器型號 | GT、AT、AR、AW系列單雙作用氣動執行器 |
|---|---|
| 供氣壓力 | 0.4~0.7MPa |
| 氣源接口 | G1/4"、G1/8"、G3/8"、G1/2" |
| 環境溫度 | -30~+70℃ |
| 作用形式 | 單作用執行機構:氣關式(B)--失氣時閥位開(FO);氣開式(K)--失氣時閥位關(FC) |
六、氣動陶瓷球閥 性能規范
| 設計與制造 | GB/T12224 |
|---|---|
| 結構長度 | GB/T12221 |
| 法蘭尺寸 | GB/T9113.1 |
| 試驗和檢驗 | JB/T9092 |
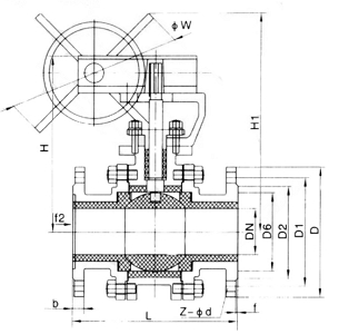
七、氣動陶瓷球閥 結構圖
![]() |
八、氣動陶瓷球閥 連接尺寸
| DN | PN(MPA) | L | D | D1 | D2 | b | f | z-<Dd |
|---|---|---|---|---|---|---|---|---|
| 15 | 1.6 | 130 | 95 | 95 | 45 | 14 | 2 | 4-14 |
| 20 | 130 | 105 | 75 | 55 | 14 | 2 | 4-14 | |
| 25 | 140 | 115 | 85 | 65 | 14 | 2 | 4-14 | |
| 32 | 165 | 140 | 100 | 78 | 16 | 2 | 4-18 | |
| 40 | 165 | 150 | 110 | 85 | 16 | 3 | 4-18 | |
| 50 | 203 | 165 | 125 | 99 | 16 | 3 | 4-18 | |
| 65 | 220 | 185 | 145 | 118 | 18 | 3 | 4-18 | |
| 80 | 241 | 200 | 160 | 132 | 20 | 3 | 8-18 | |
| 100 | 305 | 220 | 180 | 156 | 20 | 3 | 8-18 | |
| 125 | 356 | 250 | 210 | 185 | 22 | 3 | 8-18 | |
| 150 | 394 | 285 | 240 | 211 | 24 | 3 | 8-23 | |
| 200 | 457 | 340 | 295 | 265 | 26 | 3 | 12-23 |
注:由于產品改進技術創新參數可能有一定變化,公司不另行通知,請咨詢公司技術部門索取新數據。
下載:上海川滬閥門有限公司-產品樣本-氣動陶瓷球閥.PDF
氣動陶瓷球閥鏈接:http://m.danney.cn/products/qidongqiufa/q641tc.html



































