提供專業控制閥解決方案! 銷售熱線:021-51863046
上海川滬閥門有限公司
ShangHai Chuanhu Valve CO.,LTD
我們做的不僅是產品還是解決方案
川滬閥門品牌:電動球閥、電動蝶閥、氣動球閥、氣動蝶閥、電動調節閥、氣動調節閥
自力式調節閥、快速切斷閥、低溫閥門、耐腐蝕閥門、衛生級閥門、截止閥、閘閥
電動執行器、氣動執行器
氣動對夾保溫球閥
一、氣動對夾保溫球閥 產品概述
上海川滬閥門有限公司生產的氣動對夾保溫球閥主要應用于化工、石油、制藥、冶金等行業的系統管路中,主要作用是輸送在常溫狀態下會凝固、易結晶的介質。具有結構緊湊、體積小、重量輕、密封性能好、啟閉靈活、安裝方便等特點。保溫夾套球閥具有良好的保溫保冷特性,且閥門的通徑與管徑一致,同時又能有效降低管路中介質熱量損失。其中和氣動執行機構組合后,能實現快速開閉(配電磁閥和限位開關)或調節流量大小(配閥門定位器)。
型號:CHBQ671F、CHBQ671PPL
特點:
1.采用整體式結構,比一般球閥體積更小,重量更輕,密封性能更優,且無外漏。
2.夾套采用碳素鋼管焊接,比鑄造的更加牢固。
3.采用直連方式,具有連線簡單,結構緊湊,動作穩定。
適用場景:
氣動對夾保溫球閥適用于石油、化工、制藥、食品等各類系統中,以輸送常溫下會凝固的高粘度介質。
二、氣動對夾保溫球閥 產品圖片
![]() |
| 氣動對夾保溫球閥 |
三、氣動對夾保溫球閥 零部件材料
| 主要零件材料 | 閥體 | WCB | ZGlCr18Ni9Ti | CF8(304) | CF8(304L) | ZG1Cr18Ni12Mo2Ti | CF8M(316) | CF8M(316L) |
|---|---|---|---|---|---|---|---|---|
| 球體、閥桿 | 2Crl3 | lCr18Ni9Ti | 0Cr18Ni9(304) | 0Cr18Ni9(304L) | 1Cr18Ni2Mo2(316) | 0Cr17Ni2Mo2(316) | 0Cr17Ni2Mo2(316L) | |
| 密封圈 | 聚四氟乙烯 對位聚苯 | |||||||
| 填料、墊圈 | V型聚四氟乙烯 柔性石墨環 聚四氟乙烯片 柔性石墨復合墊 | |||||||
| 適用工況 | 適用介質 | 重油、膠類等 | 硝酸腐蝕性介質 | 強氧化性介質 | 醋酸等腐蝕性介質 | 尿素等腐蝕性介質 | ||
| 適用溫度 | -28-300℃ | |||||||
| 配管法蘭 | JB79-59、GB9113、SH3406 ANSI B16.5 JIS B2212 | |||||||
四、氣動對夾保溫球閥 技術參數
| 公稱通徑DN(mm) | 15 | 20 | 25 | 32 | 40 | 50 | 65 | 80 | 100 | 125 | 150 | 200 |
|---|---|---|---|---|---|---|---|---|---|---|---|---|
| 額定流量系數KV | 21 | 38 | 72 | 112 | 170 | 273 | 384 | 512 | 940 | 1452 | 2222 | 3589 |
| 公稱壓力(MPa) | PN1.6、2.5、4.0、6.4 MPa;ANSI 150、300LB | |||||||||||
| 閥體形式 | 法蘭式:分體式鑄造球閥;對夾式:整體式鑄造閥體 | |||||||||||
| 連接形式 | 法蘭式、對夾式 | |||||||||||
| 閥芯形式 | "O"型球形閥芯 | |||||||||||
| 泄露量Q | 按GB/T4213-92,小于額定KV0.01% (軟密封:零泄露) | |||||||||||
| 可調范圍 | 250:1 | 350:1 | ||||||||||
| 配置執行機構 | 可配AT、AW系列單雙作用氣動執行器 | |||||||||||
| 控制方式 | 開關兩位控制、4-20mA模擬量控制 | |||||||||||
五、氣動對夾保溫球閥 執行器參數
| 執行器型號 | GT、AT、AR、AW系列單雙作用氣動執行器 |
|---|---|
| 供氣壓力 | 0.4~0.7MPa |
| 氣源接口 | G1/4"、G1/8"、G3/8"、G1/2" |
| 環境溫度 | -30~+70℃ |
| 作用形式 | 單作用執行機構:氣關式(B)--失氣時閥位開(FO);氣開式(K)--失氣時閥位關(FC) |
六、氣動對夾保溫球閥 性能規范
| 設計標準 | ASME B 16.34 GB/T12224 |
|---|---|
| 結構長度 | ASME B 16.10 GB/T12221 |
| 連接法蘭 | ASME B 16.5、JB/T 79 |
| 試驗和檢驗 | JB/T9092 API 598 |
| 適用介質 | 重油、膠類等易凝固介質 |
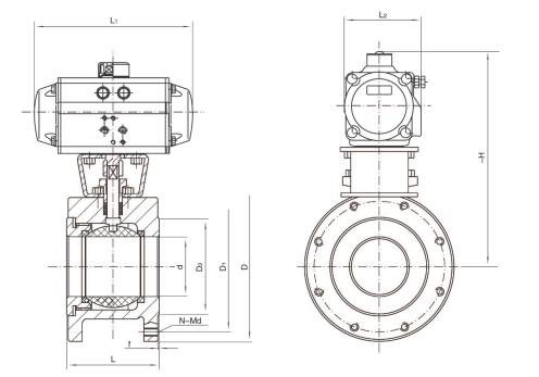
七、氣動對夾保溫球閥 結構圖
![]() |
八、氣動對夾保溫球閥 連接尺寸
| 公稱通徑 Nominal diameter DN |
外形尺寸 Outline Size |
連接法蘭尺寸 Connecting Flange Size |
執行器型號 Actuator Model |
|||||||||
|---|---|---|---|---|---|---|---|---|---|---|---|---|
| d | L | L1 | L2 | ~H | D | D1 | D2 | B | f | N-Md | ||
| 15 | 15 | 32 | 141/159 | 71/83 | 177/208 | 95 | 65 | 46 | 14 | 2 | 4-M12 | AT050D/AT063S |
| 20 | 20 | 38.5 | 141/159 | 71/83 | 182/213 | 105 | 75 | 56 | 14 | 2 | 4-M12 | AT050D/AT063S |
| 25 | 25 | 45 | 141/211 | 71/95 | 187/230 | 115 | 85 | 65 | 16 | 2 | 4-M12 | AT050D/AT075S |
| 32 | 29 | 55 | 159/211 | 83/95 | 223/243 | 140 | 100 | 76 | 16 | 3 | 4-M16 | AT063D/AT075S |
| 40 | 38 | 62 | 211/248 | 95/107 | 231/261 | 150 | 110 | 84 | 18 | 3 | 4-M16 | AT075D/AT088S |
| 50 | 46 | 72 | 248/269 | 107/123 | 258/293 | 165 | 125 | 99 | 20 | 3 | 4-M16 | AT088D/AT100S |
| 65 | 62 | 95 | 248/315 | 107/141 | 273/298 | 185 | 145 | 118 | 22 | 3 | 4-M16 | AT088D/AT115S |
| 80 | 76 | 120 | 269/345 | 123/152 | 303/325 | 200 | 160 | 132 | 24 | 3 | 8-M16 | AT100D/AT125S |
| 100 | 92 | 145 | 345/409 | 152/172 | 333/390 | 220 | 180 | 156 | 24 | 3 | 8-M16 | AT125D/AT145S |
| 125 | 110 | 200 | 409/438 | 172/187 | 380/468 | 250 | 210 | 184 | 26 | 3 | 8-M16 | AT145D/AT160S |
| 150 | 145 | 225 | 438/550 | 187/215 | 432/520 | 285 | 240 | 211 | 26 | 3 | 8-M20 | AT160D/AT190S |
注:由于產品改進技術創新參數可能有一定變化,公司不另行通知,請咨詢公司技術部門索取新數據。
下載:上海川滬閥門有限公司-產品樣本-氣動對夾保溫球閥.PDF
氣動對夾保溫球閥鏈接:http://m.danney.cn/products/qidongqiufa/bq671f.html


































