提供專業控制閥解決方案! 銷售熱線:021-51863046
上海川滬閥門有限公司
ShangHai Chuanhu Valve CO.,LTD
我們做的不僅是產品還是解決方案
川滬閥門品牌:電動球閥、電動蝶閥、氣動球閥、氣動蝶閥、電動調節閥、氣動調節閥
自力式調節閥、快速切斷閥、低溫閥門、耐腐蝕閥門、衛生級閥門、截止閥、閘閥
電動執行器、氣動執行器
氣動法蘭蝶閥
一、氣動法蘭蝶閥 產品概述
上海川滬閥門有限公司生產的氣動法蘭蝶閥D641X、D643H是由角行程氣動執行器及蝶閥閥體組成,經過二位五通電磁閥控制操作方便,配以閥門定位器也可調節介質流量、溫度、壓力等參數。氣動法蘭蝶閥流體阻力較小,中大口徑的氣動法蘭蝶閥全開時有效流通面積較大,啟閉迅速省力,蝶扳旋轉90角度即可完成啟閉,由于轉軸兩側蝶板手介質作用力接近相等,而產生的轉矩方向相反,因而啟閉力矩較小,低壓下可實現良好的密封,氣動法蘭蝶閥密封材料有丁晴橡膠、氟橡膠,稱為氣動法蘭軟密封蝶閥。其中氣動硬密封法蘭蝶閥為多層次金屬硬密封,具有彈性密封的優點,在低溫情況下均具有優良的密封性能。
特點:
1.結構緊湊,體積精小。
2.運行可靠,密封性好。
3.維修容易,安裝方便,適應性強。
適用場景:
氣動法蘭蝶閥廣泛應用于冶金、電力、石油、化工、空氣、煤氣、可燃氣體以及給排水等腐蝕性介質的管道上。
二、氣動法蘭蝶閥 產品圖片
![]() |
![]() |
| 氣動法蘭蝶閥(配開關型附件) | 氣動法蘭蝶閥(配調節型附件) |
三、氣動法蘭蝶閥 零部件材料
| 零件名稱 | 材料名稱 |
|---|---|
| 閥體 | 鑄鐵、鑄鋼、不銹鋼、鉻鉬鋼、合金鋼 |
| 蝶板 | 鑄鋼、合金鋼(鍍硬鉻)、不銹鋼、鉻鉬鋼 |
| 密封圈 | 橡膠、PTFE、PPL、不銹鋼、聚內脂、抗磨材料 |
| 閥桿 | 2Cr13、1Cr13不銹鋼、鉻鉬鋼 |
| 填料 | 聚四氟乙烯、柔性石墨 |
四、氣動法蘭蝶閥 技術參數
| 公稱通徑DN(mm) | 50~1200 |
|---|---|
| 公稱壓力 | PN1.0、1.6、2.5MPa |
| 法蘭標準 | JB/T79、GB/T9113、HG20594-97 |
| 連接形式 | 法蘭式 |
| 閥板形式 | 垂直板式 |
| 流量特性 | 近似快開型 |
| 動作范圍 | 0~90° |
| 泄露量 | 按GB/T4213-92,為Kv值的10-4 |
| 基本誤差 | 帶定位器:小于全行程的±2% |
| 回差 | 帶定位器:小于全行程的±2% |
| 可調范圍 | 50:1 |
| 配置執行機構 | GT、AT、AR、AW系列單雙作用氣動執行器 |
| 控制方式 | 開關型(開關兩位控制)、調節型(4~20mA控制) |
五、氣動法蘭蝶閥 執行器參數
| 執行器型號 | GT、AT、AR、AW系列單雙作用氣動執行器 |
|---|---|
| 供氣壓力 | 0.4~0.7MPa |
| 氣源接口 | G1/4"、G1/8"、G3/8"、G1/2" |
| 環境溫度 | -30~+70℃ |
| 作用形式 | 單作用執行機構:氣關式(B)--失氣時閥位開(FO);氣開式(K)--失氣時閥位關(FC) |
六、氣動法蘭蝶閥 性能規范
| 公稱通徑DN(mm) | DN50~1200 | ||||
|---|---|---|---|---|---|
| 公稱壓力 | PN(MPa) | 0.6 | 1.0 | 1.6 | 2.5 |
| 試驗壓力 | 強度試驗 | 0.9 | 1.5 | 2.4 | 3.75 |
| 密封試驗 | 0.66 | 1.1 | 1.76 | 2.75 | |
| 低壓氣密試驗 | 0.5~0.7 | ||||
| 適用介質 | 水、油(溫度≤90℃)、蒸氣、硝酸類(溫度≤200℃)、醋酸類(溫度≤200℃) | ||||
七、氣動法蘭蝶閥(軟密封) 結構圖
![]() |
八、氣動法蘭蝶閥(軟密封) 連接尺寸
| 主要外形尺寸-PN16、10(10bar) | |||||||
|---|---|---|---|---|---|---|---|
| 公稱 通徑 DN |
外形尺寸mm | 連接尺寸mm | |||||
| L | L1 | L2 | H | D | D | N-D | |
| 50 | 108 | 141 | 71 | 269 | 165 | 125 | 4-18 |
| 65 | 112 | 159 | 83 | 283 | 185 | 145 | 4-18 |
| 80 | 114 | 159 | 83 | 289 | 200 | 160 | 8-18 |
| 100 | 127 | 211 | 95 | 320 | 220 | 180 | 8-18 |
| 125 | 140 | 248 | 107 | 351 | 250 | 210 | 8-18 |
| 150 | 140 | 269 | 123 | 380 | 285 | 240 | 8-22 |
| 200 | 152 | 345 | 152 | 435 | 340 | 295 | 8-22 |
| 250 | 165 | 409 | 172 | 509 | 395 | 350 | 12-22 |
| 300 | 178 | 438 | 187 | 597 | 445 | 400 | 12-22 |
| 350 | 190 | 550 | 215 | 653 | 505 | 460 | 16-22 |
| 400 | 216 | 550 | 215 | 720 | 565 | 515 | 16-26 |
| 450 | 222 | 600 | 240 | 772 | 615 | 565 | 20-26 |
| 500 | 229 | 633 | 262 | 867 | 670 | 620 | 20-26 |
| 600 | 267 | - | - | - | 780 | 725 | 20-30 |
| 700 | 292 | - | - | - | 895 | 840 | 24-30 |
| 800 | 318 | - | - | - | 1015 | 950 | 24-33 |
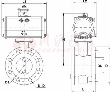
九、氣動法蘭蝶閥(硬密封) 結構圖
![]() |
十、氣動法蘭蝶閥(硬密封) 連接尺寸
| 主要外形尺寸mm-PN16(16bar) | ||||||||||
|---|---|---|---|---|---|---|---|---|---|---|
| 公稱通徑 DN |
外形尺寸mm | 連接尺寸mm | 執行器型號 | |||||||
| L | L1 | L2 | H | D | D1 | D2 | f | N-D | ||
| 50 | 108 | 159/211 | 83/95 | 277/205 | 165 | 125 | 99 | 3 | 4-18 | AT-D-63/AT-S-75 |
| 65 | 112 | 211/248 | 95/107 | 287/315 | 185 | 145 | 118 | 3 | 4-18 | AT-D-75/AT-S-88 |
| 80 | 114 | 248/269 | 107/123 | 365/375 | 200 | 160 | 132 | 3 | 8-18 | AT-D-88/AT-S-100 |
| 100 | 127 | 269/315 | 123/141 | 420/436 | 220 | 180 | 156 | 3 | 8-18 | AT-D-100/AT-S-115 |
| 125 | 140 | 315/345 | 141/152 | 436/462 | 250 | 210 | 184 | 3 | 8-18 | AT-D-115/AT-S-125 |
| 150 | 140 | 345/409 | 152/172 | 466/543 | 285 | 240 | 211 | 3 | 8-22 | AT-D-125/AT-S-145 |
| 200 | 152 | 409/438 | 172/187 | 593/665 | 340 | 295 | 266 | 3 | 12-22 | AT-D-145/AT-S-160 |
| 250 | 165 | 438/550 | 187/215 | 682/752 | 405 | 355 | 319 | 3 | 12-26 | AT-D-160/AT-S-190 |
| 300 | 178 | 550/600 | 215/240 | 725/772 | 460 | 410 | 370 | 4 | 12-26 | AT-D-190/AT-S-210 |
| 350 | 190 | 600/633 | 240/262 | 832/880 | 520 | 470 | 429 | 4 | 16-26 | AT-D-210/AT-S-240 |
| 400 | 216 | 633/730 | 262/330 | 862/968 | 580 | 525 | 480 | 4 | 16-30 | AT-D-240/AT-S-270 |
| 450 | 222 | 633/1700 | 262/440 | 945/1005 | 640 | 585 | 548 | 4 | 20-30 | AT-D-240/AT-S-25 |
| 500 | 229 | 730/1700 | 330/440 | 1058/1060 | 715 | 650 | 609 | 4 | 20-33 | AT-D-270/AT-S-25 |
| 600 | 267 | 1180/1700 | 368/440 | 1108/1195 | 840 | 770 | 720 | 5 | 20-36 | AW-D-20/AW-S-25 |
| 700 | 292 | 1320/1970 | 440/480 | 1170/1255 | 910 | 840 | 794 | 5 | 24-36 | AW-D-25/AW-S-28 |
| 800 | 318 | 1430/2700 | 480/560 | 1325/1365 | 1025 | 950 | 901 | 5 | 24-39 | AT-D-28/AT-S-35 |
注:由于產品改進技術創新參數可能有一定變化,公司不另行通知,請咨詢公司技術部門索取新數據。
下載:上海川滬閥門有限公司-產品樣本-氣動法蘭蝶閥.PDF
氣動法蘭蝶閥鏈接:http://m.danney.cn/products/qidongdiefa/qdfldf.html
























