提供專業控制閥解決方案! 銷售熱線:021-5186 3046
上海川滬閥門有限公司
ShangHai Chuanhu Valve CO.,LTD
我們做的不僅是產品還是解決方案
川滬閥門品牌:電動球閥、電動蝶閥、氣動球閥、氣動蝶閥、電動調節閥、氣動調節閥
自力式調節閥、快速切斷閥、低溫閥門、耐腐蝕閥門、衛生級閥門、截止閥、閘閥
電動執行器、氣動執行器
氣動衛生級焊接蝶閥
一、氣動衛生級焊接蝶閥 產品概述
上海川滬閥門有限公司生產的氣動衛生級蝶閥,有外螺紋連接、焊接、卡箍連接三種連接方式,方便客戶的現場安裝,其中氣動執行器選配電磁閥實現對管道介質開關控制,選配閥門定位器實現對管道介質流量大小的調節。
氣動衛生級焊接蝶閥特點:
1.體積小、重量輕、操作輕巧、便于安裝、維修。
2、密封性能優良可靠、零泄漏,使用壽命長。
3、流量特性趨于直線,調節性能優。
4、結構簡單,開關迅速,90°旋轉啟閉。
5、可代替隔膜閥和球閥各種閥門的使用。
6、可根據用戶要求配置氣動、電動裝置,滿足遙控和程控的需要。
適用場景:
氣動衛生級焊接蝶閥廣泛應用于如食品、制藥、化妝品、潔凈蒸汽、酒類、飲料、生化工業過程控制場合。
二、氣動衛生級焊接蝶閥 產品圖片
![]() |
![]() |
| 氣動衛生級焊接蝶閥 | 手動衛生級焊接蝶閥 |
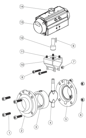
三、氣動衛生級焊接蝶閥 零部件材料
![]() |
序號 No. |
零件名稱 Nameofparts |
材質Material |
| 1 | 螺栓 Screw |
不銹鋼304StainlessSteel304 | |
| 2 | 左閥體 LeftValve |
不銹鋼304.304L.316.316L StainlessStee1304.304L.316.316L |
|
| 3 | 閥座 Seat |
食品級橡膠Foodgraderubber | |
| 4 | 蝶板 ButterflyPlate |
不銹銅304.304L.316.316L StainlessSteel304.304L.316.316L |
|
| 5 | 右閥體 RightValve |
不銹鋼304.304L.316.316L StainlessSteel304.304L.316.316L |
|
| 6 | 螺母 Nut |
不銹鋼304 StainlessSteel304 |
|
| 7 | 螺母 Nut |
不銹鋼304 StainlessSteel304 |
|
| 8 | 鍵 Key |
不銹鋼304 StainlessSteel304 |
|
| 9 | 螺栓 Screw |
不銹鋼304 StainlessSteel304 |
|
| 10 | 連接支架 ConnectingYoke |
不銹鋼304 StainlessSteel304 |
|
| 11 | 螺栓 Screw |
不銹鋼304 StainlessSteel304 |
|
| 12 | 連接套 Connectionset |
不銹鋼304 StainlessSteel304 |
|
| 13 | 氣動裝置 PneumaticDevice |
AT系列氣動執行器 ATPneumaticactuatorSeries |
|
| 14 | 位置指示器 LocationIndicator |
塑料Plastic |
四、氣動衛生級焊接蝶閥 技術參數
| 型號 | CHD661X |
|---|---|
| 公稱通徑 | DN20~DN100 |
| 公稱壓力 | 1.0MPa |
| 連接形式 | 焊接 |
| 密封材料 | 食用級橡膠 |
| 閥體材質 | 304、316、316L不銹鋼 |
| 控制方式 | 開關型或調節型 |
| 執行器型號 | GT系列、SR系列.AT系列、AW系列、TH(QGSY)系列單雙作用氣動執行器 |
| 供氣壓力 | 400700KPa |
| 氣源接口 | Gl/4\ Gl/8\ G3/8V Gl/2" |
| 環境溫度 | -30~+70oC |
| 作用形式 | 單作用執行機構:氣關式(B)--失氣時閥位開(FO):氣開式(K)--失氣時閥位關(FC) |
| 雙作用執行機構:氣關式(B)--失氣時閥位保持(FL):氣開式(K)--失氣時閥位保持(FL) | |
| 可配附件 | 定位器、電磁閥、空氣過濾減壓器、保位閥.行程幵關、閥位傳送器.手輪機構等 |
五、氣動衛生級焊接蝶閥 執行器參數
| 執行器型號 | GT、AT、AR、AW系列單雙作用氣動執行器 |
|---|---|
| 供氣壓力 | 0.4~0.7MPa |
| 氣源接口 | G1/4"、G1/8"、G3/8"、G1/2" |
| 環境溫度 | -30~+70℃ |
| 作用形式 | 單作用執行機構:氣關式(B)--失氣時閥位開(FO);氣開式(K)--失氣時閥位關(FC) |
六、氣動衛生級焊接蝶閥 結構圖
![]() |
七、氣動衛生級焊接蝶閥 連接尺寸
| 規格 | 外螺紋連接 | 三片式焊接 | 卡箍連接 | 焊接 | Lo | —H | 執行器型號 Actuator Model |
||||||||
|---|---|---|---|---|---|---|---|---|---|---|---|---|---|---|---|
| ISO | L1 | D | M | L2 | D | D | L3 | D | d | L4 | D | d | |||
| 20 | 100 | 78 | 19.05 | 66 | 78 | 50.5 | 66 | 78 | 19.05 | 141/1 41 | 157/557 | AT050D/AT050S | |||
| 25 | 66 | 78 | 40xl/6 | 100 | 78 | 25.4 | 66 | 78 | 50.5 | 66 | 78 | 25.4 | 141/1 41 | 157/557 | AT050D/AT050S |
| 32 | 66 | 78 | 48xl/6 | 100 | 78 | 31.8 | 66 | 78 | 50.5 | 66 | 78 | 31.8 | 141/141 | 157/557 | AT050D/AT050S |
| 38 | 70 | 86 | 60xl/6 | 100 | 86 | 38.1 | 70 | 86 | 50.58 | 70 | 86 | 38.1 | 141/141 | 157/557 | AT050D/AT050S |
| 51 | 76 | 102 | 70xl/6 | 104 | 102 | 50.8 | 76 | 102 | 64 | 76 | 102 | 50 8 | 141/159 | 171/180 | AT050D/AT063S |
| 63 | 80 | 115 | 85xl/6 | 112 | 115 | 63.5 | 80 | 115 | 77.5 | 80 | 115 | 63.5 | 141/159 | 169/169 | AT063D/AT063S |
| 76 | 84 | 128 | 98xl/6 | 112 | 128 | 76.1 | 84 | 128 | 91 | 84 | 128 | 76.1 | 15 9/211 | 194/208 | AT063D/AT075S |
| 89 | 120 | 139 | 88.9 | 90 | 139 | 106 | 90 | 139 | 88.9 | 159/248 | 200/224 | AT063D/AT088S | |||
| 102 | 104 | 159 | 132xl/6 | 128 | 155 | 101.6 | 102 | 155 | 119 | 102 | 155 | 101.6 | 211/248 | 220/242 | AT075D/AT088S |
| 108 | 128 | 159 | 108 | 108 | 159 | 119 | 108 | 159 | 108 | 211/269 | 223/245 | AT075D/AT100S | |||
注:由于產品改進技術創新參數可能有一定變化,公司不另行通知,請咨詢公司技術部門索取新數據。
下載:上海川滬閥門有限公司-產品樣本-氣動衛生級焊接蝶閥.PDF
氣動衛生級焊接蝶閥鏈接:http://m.danney.cn/products/qidongdiefa/d661x.html
























