提供專業控制閥解決方案! 銷售熱線:021-51863046
上海川滬閥門有限公司
ShangHai Chuanhu Valve CO.,LTD
我們做的不僅是產品還是解決方案
川滬閥門品牌:電動球閥、電動蝶閥、氣動球閥、氣動蝶閥、電動調節閥、氣動調節閥
自力式調節閥、快速切斷閥、低溫閥門、耐腐蝕閥門、衛生級閥門、截止閥、閘閥
電動執行器、氣動執行器
SD941X電動伸縮蝶閥
一、SD941X電動伸縮蝶閥 產品概述
上海川滬閥門有限公司生產的SD941X電動伸縮蝶閥是集法蘭蝶閥和伸縮節于一體的新式蝶閥,與多回傳型電動執行器相連接后,可以控制閥門的開關或者調節(輸入輸出信號4-20mA)管道介質流量大小。
特點:
1.流通能力大。
2.性能穩定、密封可靠、磨擦力小、開關輕便。
3.具有連線簡單,結構緊湊,動作穩定。
適用場景:
SD941X電動伸縮蝶閥適用于水廠、電廠、鋼廠、石油化工、食品醫藥、輕紡、造紙等系統給水、排水場合使用,尤其適用于水管路中作為調節和截流設備使用。
二、SD941X電動伸縮蝶閥 產品圖片
![]() |
| SD941X電動伸縮蝶閥 |
三、SD941X電動伸縮蝶閥 性能規范
| 公稱通徑DN(mm) | 300~2000 | |
|---|---|---|
公稱壓力PN(MPa) |
1.0 | |
| 試驗壓力(MPa) | 殼體 | 1.5 |
| 密封 | 1.1 | |
| 適用溫度 | -15 ~ 120度 | |
| 適用介質 | 飲用水、污水、海水等。 | |
四、SD941X電動伸縮蝶閥 主要零部件材料
| 閥體 | 閥板 | 轉軸 | 襯套 | 閥座 | ||||
|---|---|---|---|---|---|---|---|---|
| 材料名稱 | 代號 | 材料名稱 | 代號 | 材料名稱 | 材料名稱 | 材料名稱 | 代號 | 適用溫度 |
灰鑄鐵 球墨鑄鐵 鋁青銅 不銹鋼 CF8M不銹鋼 碳鋼 |
Z Q T P R C |
電鍍球墨鑄鐵 鋁青銅 不銹鋼 鈦鋼 CF8M不銹鋼 碳鋼 |
B1 B2 B3 B4 B5 B6 |
不銹鋼 碳鋼 |
潤滑青銅 聚四氟乙烯 |
天然橡膠 海帕倫 乙丙橡膠 氯丁橡膠 丁晴橡膠 耐磨橡膠 氟橡膠 耐熱乙丙橡膠 聚四氟乙烯 |
X1 X2 X3 X4 X5 X6 X7 X9 F |
-20~85度 -20~120度 -20~120度 -7~93度 -20~100度 -10~100度 -20~200度 -20~135度 -20~150度 |
五、SD941X電動伸縮蝶閥 多回轉電動執行器參數
| 型號 | 公稱 轉矩 (N.m) | 大控 制轉矩 (N.m) | 小控 制轉矩 (N.m) | 輸出軸 轉圈數 (圈) | 允許通過閥桿直徑 (mm) | 手動 速比 | 輸出轉速 (r/min) | 電機功率 (kw) | 重量 (kg) |
|---|---|---|---|---|---|---|---|---|---|
| Z5 | 50 | 75 | ≤25 | 150 | 28 | 1∶1 | 18 | 0.12 | 28 |
| Z10 | 100 | 150 | ≤50 | 160 | 24、36 | 0.25 0.37 | 61 | ||
| Z15 | 150 | 225 | ≤75 | 0.37 0.55 | 63 | ||||
| Z20 | 200 | 300 | ≤100 | 40 | 0.55 0.75 | 63 | |||
| 28 | |||||||||
| Z30 | 300 | 450 | ≤150 | 40 | 24 | 0.75 | 65 | ||
| 28 | |||||||||
| Z45 | 450 | 675 | ≤225 | 110 | 48 | 24 | 1.1 | 110 | |
| 36 | 1.5 | ||||||||
| Z60 | 600 | 900 | ≤300 | 24 | 1.5 | 112 | |||
| 36 | 2.2 | ||||||||
| Z90 | 900 | 1350 | ≤450 | 60 | 24 | 2.2 | 139 | ||
| 48 | 36 | 3.0 | |||||||
| Z120 | 1200 | 1800 | ≤600 | 60 | 24 | 3.0 | 142 | ||
| 48 | |||||||||
| Z180 | 1800 | 2160 | ≤900 | 140 | 70 | 25∶1 | 24 | 4.0 | 261 |
| 36 | 5.5 | ||||||||
| Z250 | 2500 | 3000 | ≤1250 | 24 | 5.5 | 264 | |||
| Z350 | 3500 | 4200 | ≤1750 | 75 | 13∶1 | 18 | 7.5 | 430 | |
| Z500 | 5000 | 6000 | ≤2500 | 10 | 440 | ||||
| Z800 | 8000 | 9600 | ≤4000 | 120 | 80 | 90∶1 | 12 | 13 | 800 |
| Z1000 | 10000 | 12000 | ≤5000 | 100 | 15 | 820 |
六、SD941X電動伸縮蝶閥 結構圖
![]() |
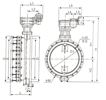
七、SD941X電動伸縮蝶閥 連接尺寸
| DN | D | D1 | d | b | C | L | n-dO | 4-M | H | H1 | H2 | L1 | L2 | L3 | L4 | L5 | Ф | 重里 | ||
|---|---|---|---|---|---|---|---|---|---|---|---|---|---|---|---|---|---|---|---|---|
| (mm) | L0 | Lmax | Lmin | (kg) | ||||||||||||||||
| 300 | 445 | 400 | 370 | 28 | 57 | 282 | 302 | 252 | 8-23 | M20 | 959 | 542 | 267 | 449 | 178 | 254 | 104 | 473 | 300 | 148 |
| 350 | 505 | 460 | 429 | 30 | 64 | 301 | 321 | 271 | 12-23 | M20 | 1048 | 583 | 315 | 449 | 178 | 254 | 104 | 473 | 300 | 188 |
| 400 | 565 | 515 | 480 | 32 | 70 | 313 | 333 | 283 | 12-28 | M24 | 1120 | 620 | 350 | 449 | 178 | 254 | 104 | 473 | 300 | 237 |
| 450 | 615 | 565 | 530 | 32 | 76 | 334 | 354 | 304 | 16-28 | M24 | 1190 | 667 | 373 | 449 | 178 | 254 | 104 | 473 | 300 | 268 |
| 500 | 670 | 620 | 582 | 34 | 76 | 346 | 366 | 316 | 16-28 | M24 | 1280 | 702 | 428 | 486 | 196 | 254 | 130 | 528 | 300 | 289 |
| 600 | 780 | 725 | 682 | 36 | 89 | 398 | 418 | 368 | 16-31 | M27 | 1409 | 759 | 450 | 627 | 244 | 245 | 162 | 596 | 400 | 480 |
| 700 | 895 | 840 | 794 | 40 | 115 | 425 | 445 | 395 | 20-31 | M27 | 1613 | 885 | 528 | 627 | 244 | 245 | 162 | 596 | 400 | 615 |
| 800 | 1015 | 950 | 901 | 44 | 120 | 455 | 475 | 425 | 20-34 | M30 | 1736 | 1013 | 573 | 635 | 270 | 295 | 196 | 711 | 300 | 818 |
| 900 | 1115 | 1050 | 1001 | 46 | 120 | 485 | 505 | 455 | 24-34 | M30 | 1860 | 1071 | 639 | 635 | 270 | 295 | 196 | 711 | 300 | 956 |
| 1000 | 1230 | 1160 | 1112 | 50 | 150 | 495 | 515 | 465 | 24-37 | M33 | 2107 | 1234 | 723 | 955 | 455 | 296 | 295 | 807 | 300 | 1277 |
| 1200 | 1455 | 1380 | 1328 | 56 | 175 | 542 | 562 | 512 | 2&40 | M36 | 2326 | 1343 | 833 | 955 | 455 | 296 | 295 | 807 | 300 | 1764 |
| 1400 | 1675 | 1590 | 1530 | 62 | 195 | 612 | 632 | 582 | 3243 | M39 | 2996 | 1668 | 1078 | 1270 | 598 | 387 | 414 | 1089| 500 : | 42801 | |
| 1600 | 1915 | 1820 | 1750 | 68 | 220 | 640 | 660 | 610 | 3&49 | M45 | 3246 | 1778 | 1218 | 1270 | 598 | 387 | 414 | 1089 | 500 | 4953 |
| 1800 | 2115 | 2020 | 1950 | 70 | 245 | 710 | 730 | 680 | 4049 | M45 | 3720 | 2044 | 1426 | 1625 | 745 | 387 | 602 | 1399 | 500 | Z416J |
| 2000 | 2325 | 2230 | 2150 | 74 | 270 | 775 | 795 | 745 | 4449 | M45 | 3851 | 2115 | 1486 | 1630 | 750 | 417 | 602 | 1430 | 500 | 9372 |
注:由于產品改進技術創新參數可能有一定變化,公司不另行通知,請咨詢公司技術部門索取新數據。
下載:上海川滬閥門有限公司-產品樣本-SD941X電動伸縮蝶閥.PDF
SD941X電動伸縮蝶閥鏈接:http://m.danney.cn/products/diandongdiefa/sd941x.html



























